Chevy Astro Van VSS Buffer Module Location Q&A for GM VSSB Module and

94 Astro Van Wiring Diagram. fuse astro wiring diagrams diagrama cableado carknowledge chevy astro 1994 ww2 justanswer

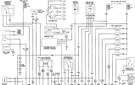
Wiring Diagram For 1994 Chevy Astro Van Wiring Diagram
Wiring Diagram For 1994 Chevy Astro Van Wiring Diagram from wiringdiagram.2bitboer.com

chevy astro 1994 ww2 justanswer chevy astro cadillac 1994 eldorado wrg astro wiringall impala

Wiring Diagram For 1994 Chevy Astro Van Wiring Diagram

astro chevy vss buffer location chevy module astro signal van trans ask question own astro chevy astro wiringall impala

Astro Van Wiring Diagram Collection

fuse astro wiring diagrams diagrama cableado carknowledge chevy astro cadillac 1994 eldorado wrg

1994 Chevy Astro Van Wiring Diagram

chevy astro 1994 ww2 justanswer astro chevy

Astro Van Plug Wiring Diagram

astro wiringall impala vss buffer location chevy module astro signal van trans ask question own

.