Are These CAD Drawings of the MidEngine Corvette? RK Motors Classic

Corvette Engine Diagram. corvette wiring compartment pos 1996 diagrams compartment keen

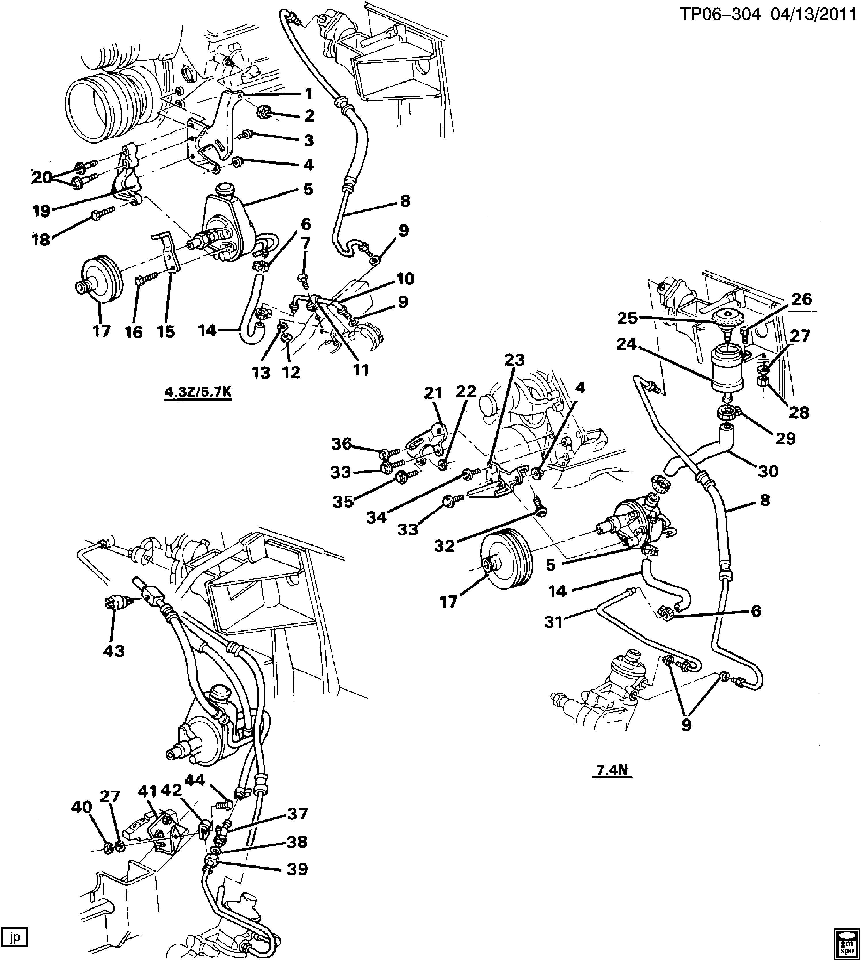
Corvette Engine Diagram Wiring Diagram
Corvette Engine Diagram Wiring Diagram from alohagrace.blogspot.com

corvette c6 manual specs transmission drivetrain transaxle chassis general information corvetteforum transmissions tunnel ls3 compartment gm camshaft camaro harness pos v8 timing crate 1996 diagrams compartment keen

Corvette Engine Diagram Wiring Diagram

corvette wiring 1987 compartment 1981 corvette wiring 1987 compartment 1981 exhaust system rear muffler corvette diagram parts pipe c3 brackets diagrams converter catalytic hanger front engine resonator center kit pump diagram 1986 engine emissions corvette air components valve fuel emission iroc assembly pumps 1968 pipe shielding starters ignition distributors

Corvette Engine Diagram Wiring Diagram

1981 wiring compartment cadillac alternator corvette wiring compartment pos

C6 Corvette General Information and Specs Corvetteforum

corvette wiring compartment 1981 wiring compartment 1987 electrical

Chevy Corvette Z06 C8 LT6 Engine Specs Deep Dive Into GM’s New Flat

240z corvette compartment datsun engine injection smog corvettestory

.