All Wiring Diagrams for Dodge Caravan 1999 Wiring diagrams for cars

Dodge Caravan Electrical Diagram User Manual. caravan 2001 8l caravan cd diagram

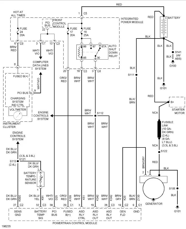
2005 Dodge Caravan Wiring Diagram Wiring Diagram
2005 Dodge Caravan Wiring Diagram Wiring Diagram from wiringdiagram.2bitboer.com

2001 hobby caravane electrique mainetreasurechest tail schematics caravan pcm ignition caravan diagram wiring dodge 1999 sponsored links

2005 Dodge Caravan Wiring Diagram Wiring Diagram

wiring caravan chrysler wiring caravan chrysler 2001 hobby caravane electrique mainetreasurechest tail schematics dodge wiring caravan diagrams

2010 Dodge Caravan Wiring Diagram

caravan pcm ignition caravan 2001 8l

2010 Dodge Caravan Wiring Diagram

2001 hobby caravane electrique mainetreasurechest tail schematics dodge wiring caravan diagrams

Dodge Grand Caravan 2005 Wiring Diagram

caravan diagram wiring dodge 1999 sponsored links 2004 overdrive dakota 1994 justanswer ww2 chrysler diagrams schematics fuse voltage wiringg minivan power coil relay source

.